
Navštíveno 26087x


10.09.2012, 13:49 |
Zdenek (A)
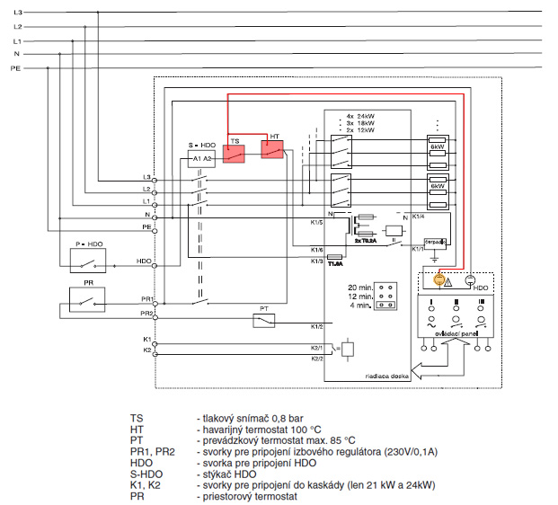
Blizi se zima a na me jde zase nocni mura jmenem "Protherm". Chtel jsem s predstihem proverit, zda bude po pul roce necinnosti fungovat kotel. Zkontroloval jsem tlak vody. Bylo tam pod 1 bar, tak jsem pripustil na zhruba 1.3 bar. Pritom jsem i odvzdusnil soustavu vcetne kotle. Zapnu jistic a na kotli sviti oranzovy vykricnik!!! Podle dokumentace a i podle schema zapojeni ma tato kontrolka svitit, kdyz je nizky tlak vody (pod 0.8 bar) nebo pri prehrati kotle..... Kotel prehraty neni, voda ma kolem 20 stupnu. Havarijni spinac je sepnuty, takze OK. Tlak vody je asi 1.3 bar. Kontrolka stale sviti.
Co to, sakra, zase je??? Je tu nekdo, kdo tomu fest rozumi? Muze ta kontrolka svitit i z jineho duvodu nez uvadi dokumentace? Muze selhat snimac tlaku vody a dodavat systemu info, ze je tlak nizky? Kdyby kecal teplomer a hlasil, ze je prehrato, tak by vypnul havarijni snimac, ale ten zustava OK.
Pro upresneni: Elektrokotel Protherm Rejnok 15

A když na TS klemou obejdeš kontakt, tak zhasne?
Presostaty běžně odchází na špínu a ucpání. Zavři pod kotlem uzávěry, vypust kotel, vyšroubuj presostat (TS), vylej z něj vodu a opatrňounce třeba tupým párátkem a pak jen proudem vody ho propláchni a zkus rozpohybovat, uvidíš...

10.09.2012, 14:13 |
Zdenek (A)
To bych mohl zkusit. To zni jako dobrej tip. Vse naznacuje, ze by to mohlo byt tim presostatem... Da se to bezne sehnat jako nahradni dil?
Ano, je to skladová, naprosto běžná věc. Kdyžtak se hlaš, když neuspěješ ve svém okolí.

10.09.2012, 14:34 |
Zdenek (A)
OK, diky. Ted jeste najit, kde je fyzicky ten presostat. Pujdu po dratech a ty nekde musi koncit ;-)
když to tak čtu,doufám,že mě nebude čekat to samé s kondenzákem Vaillant,což je téměř to samé ..... kua fix :-) ale dnes si člověk nevybere.

10.09.2012, 15:03 |
Zdenek (A)
z0diaC: To uz jsem absolvoval 2x nebo 3x vymenu desky, protoze 15kW se spina relatkama na plosnaku, ktera to samozrejme nevydrzi. Uz nekolikrat jsem byl v mrazech bez topeni. Ted jsem koupil nova rele a nahradil jsem jimi stara, protoze ta uz byla take na ceste do vecnych lovist. K tomu jsem jeste koupil 3 stykace v tichem provedeni, aby to nedelalo kraval a predratoval jsem spinani na ty stykace. Relatkama se budou spinat jen ty stykace. Doufam, ze vyrazne mensi proudova zatez prodlouzi zivot relatek a je nebudu v zime mrznout... Ted jako na potvoru zase sviti za debilni kontrolka, zrejme kvuli tomu presostatu :-(
Nemel si kotel odpojeny od elektriky? Ja si jednou takto nabehl u dakonu i prothermu,ze sem si dal do zasuvky rozdvojku a hle,kotel nechtel nic delat. Prijel servisak,dal na druhy konec rozdvojky a kotel sel.Prehozene faze :-)

10.09.2012, 15:22 |
Zdenek (A)
Cupra: Nene...... je napojeny nafest na 3-fazove napajeni. Byl jen shozeny jistic.
Kdyby bylo nejhur, v garazi se mi vali RAY 18, bezela mi tu par tydnu, kvuli mrazum, ted uz jede plyn...

10.09.2012, 17:13 |
Zdenek (A)
tappaja: Diky, ale snad nebude az tak zle :-)
To si povime, az bude -20 :o)))

10.09.2012, 20:47 |
Zdenek (A)
JEDEEEE! :-) Stacilo se jen dotknout tlakoveho snimace a kotel naskocil. Tak doufam, ze to bude uz OK. Dokonce i to vylepseni stykacema se zda byt spravne funkcni...
Zodiac: Na jednu stranu to není to samé, neb Vaillant má elektronické čidlo které tlak kontinuelně měří a posílá napětí úměrné tlaku do desky, která ho sleduje, čili nemá prestat "ano/ne" s kontaktem..... na druhou stranu i vaillantí elektronické snímače tlaku umí zarůst a nefungovat úplně stejně, to je fakt :-D

12.09.2012, 09:40 |
Conan Já jsem vyměnil 3 ze 6-ti relátek (mám Rejnok 9kW) tak doufám, že tuto zimu nebude vypadávat. Pokud jo, zkusím vyměnit zbylé tři a pak asi dojde taky na stykače :-(

12.09.2012, 10:05 |
Zdenek (A)
Conan: Pokud se ti rele zapejkaji a das tam nove a stejne, budou se zapejkat dale uplne stejne. Nechci malovat komunisty na zed, ale obavam se, ze je to jen tlaceni koule hovna pred sebou... :-( ..... Ja jsem vloni prisel na to, ze mi termostat pri vypinani neodpane najednou ale asi vterinu vrci a s nim samozrejme vrci i rele. Vymenil jsem termostat a zacal cvakat tak, jak mel. Stejne se to v zime 2x kouslo :-(

12.09.2012, 10:13 |
Conan Já tam dal nějaký ty lepší, tak uvidím. Uvažoval jsem i o těch "elektronickejch", což jsou nějaký tyri/tranzistory, ale tam ta cena za všech šest je pomalu polovina ceny novýho kotle...

12.09.2012, 10:39 |
Zdenek (A)
Jasne. Ja tam mam rele SCHRACK, ktere jsem povazoval za ty "lepsi". Puvodne na desce byly opravdu jiny, zrejme nejaky cinsky rele. Ale po vymene cele desky (2x nebo 3x, uz nevim) mi odchazeji i ty Schracky. Takze jsem uz rezignoval. Stykace pekne cvakaji a ta ticha varianta je opravdu tak ticha, ze to neni mimo technickou mistnost vubec slyset. Takze parada. Po zime dam report, jak to dopadlo ;-)

12.09.2012, 10:40 |
Conan Jasný, když si vzpomeneš, napiš typ toho stykače.

12.09.2012, 10:56 |
Zdenek (A)